Двухтактный шарнирный зажим ESD двухтактного типа АМF 562497
Описание
Разновидности товаров:
| Артикул | Размер | F1 [кН] | F2 [кН] | Зажимной винт | Масса [г] | Цена |
| 562496 | 2 | 1,0 | 1,0 | M6 x 25 | 130 | 10 335 р. |
| 562497 | 3 | 2,5 | 2,5 | M8 x 35 | 320 | 11 310 р. |
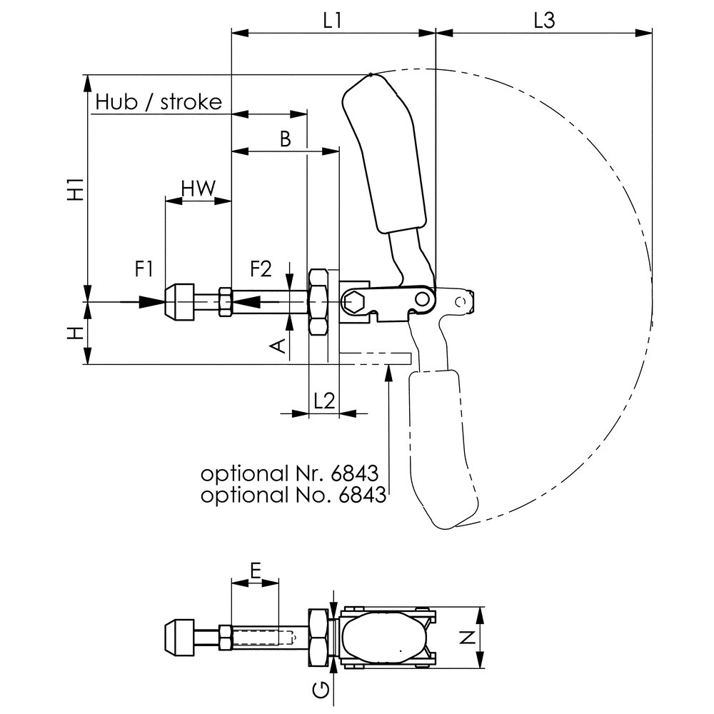
| Артикул | A | b | E | G | H | H1 | Инсульт | Ч/мин. | Максимальная мощность. | L1 | L2 | L3 | N | Цена |
| 562496 | 10 | 36 | 15 | M16 x 1,5 | 24 | 73 | 21,5 | 17 | 25 | 68,5 | 13 | 68 | 30,5 | 10 335 р. |
| 562497 | 12 | 57 | 25 | M20 x 1,5 | 33 | 123 | 40,0 | 22 | 35 | 108,0 | 16 | 115 | 33,0 | 11 310 р. |
С защитным колпачком и ручкой, изготовленными из электростатически проводящего (рассеивающего) материала.
укороченный вариант. Для нажимного и вытяжного зажима. Длинный стержень-направляющая с крепежной резьбой и гайкой.
Оцинкованный и пассивированный. Шток поршня изготовлен из нержавеющей стали. Винты с буртиками закалены. Подшипники смазаны.
Эргономичная маслостойкая рукоятка с большой поверхностью захвата и мягкими компонентами.
В комплекте с закаленным оцинкованным зажимным винтом № 6880ESD.
Применение:
Двухтактный шарнирный зажим ESD был специально разработан для использования в зонах защиты от электростатического разряда (EPA - зона с электростатической защитой) для работы с электростатически чувствительными компонентами, сборками или устройствами в соответствии со стандартом DIN EN 61340-5-1.
Особенности:
- Сопротивление утечке в соответствии с DIN IEC/TR 61340-5-2 составляет от 10⁰⁴ до 10⁰⁹ Ом
- Время разряда в соответствии с DIN IEC/TR 61340-5-2 - Поверхностное натяжение (напряженность электрического поля) в соответствии с DIN EN 61340-5-1
Примечание:
Двухтактный тумблерный зажим ESD не имеет изоляции. Его нельзя использовать в местах, где используется разомкнутое напряжение.
Характеристики:
| Артикул | 562497 |
| Тип продукта | Шарнирный зажим двухтактного типа |
| Максимальное усилие зажима [кН] | 2.5 |
| Большой Шнелльшпаннер | 3 |
| Материал | Сталь оцинкованная |
| Цвет ручки | Черный |
| Особые характеристики | ОУР |
Подходящие аксессуары:
| Название товара | Цена |
| Угловое основание, сплошное АМF 94037 | 3 627 р. |
| Зажимной винт ESD АМF 562604 | 1 597.70 р. |









































































































