Последовательный клапан АМF 408401
Описание
Разновидности товаров:
| Артикул | Артикул №. | Минимальное рабочее давление [бар] | Максимальное рабочее давление [бар] | Q [л/мин] | Направление потока | Температура окружающей среды. [°C] | Вязкость [cSt] | DI-1DichtungBest.-Nr. | ИЛИ-1 Номер заказа уплотнительного кольца. | Масса [г] | Цена |
| 320366 | 6918-2-02-02 | 30 | 500 | 20 | P-A | -40 - +80 | 10-500 | 570345 | 570346 | 150 | 0 р. |
| 325118 | 6918-2-02-04 | 16 | 160 | 20 | P-A | -40 - +80 | 10-500 | 570345 | 570346 | 150 | 0 р. |
| 408401 | 6918-2-02-03 | 8 | 80 | 20 | P-A | -40 - +80 | 10-500 | 570345 | 570346 | 150 | 0 р. |
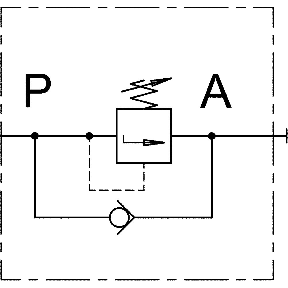
фланец картриджа
Возможна статическая перегрузка ~1,5вт макс.
Конструкция:
Корпус из азотированной стали. Уплотнительная гайка оцинкована. Все функциональные компоненты закалены и отшлифованы. Шарики изготовлены из роликоподшипниковой стали.
Применение:
Клапан регулировки давления используется в тех случаях, когда после достижения заданного давления необходимо активировать другую гидравлическую систему или другого потребителя. Если в контуре предусмотрено несколько последовательных клапанов, необходимо следить за тем, чтобы давление в этом контуре всегда поддерживалось на последней соответствующей ступени давления. Давление переключения для этого типа, независимо от давления на выходе (стороне потребителя), остается в основном постоянным.
Примечание:
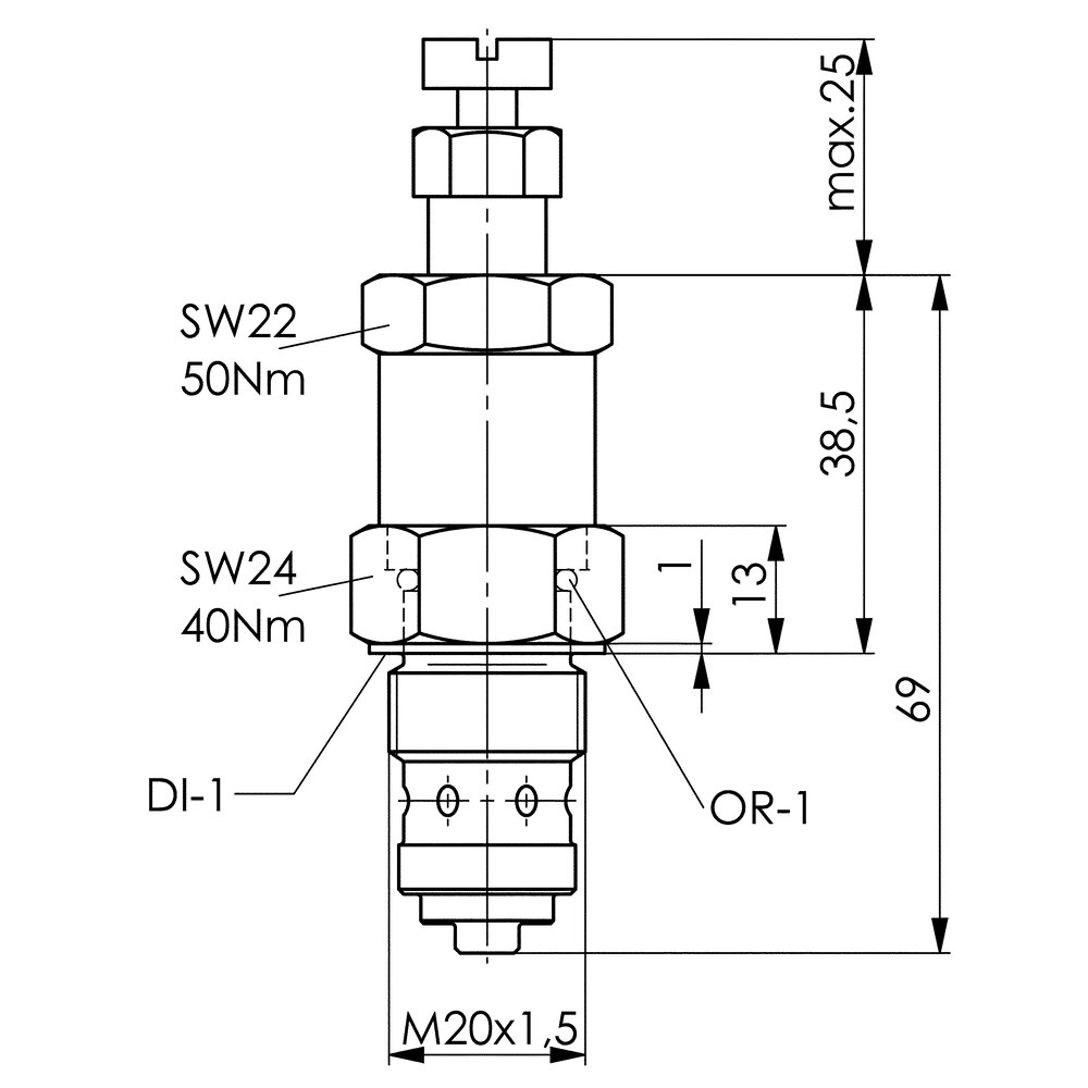
Для разборки клапана, пожалуйста выпуска первого программного (АФ) 24, там SW 22. По сборке, пожалуйста, используйте обратной последовательности и наблюдать максимум. Гостиный крутящего момента. Разница давлений между P и A зависит от предварительного натяга регулировочной пружины.
Характеристики:
| Артикул | 408401 |
| Тип продукта | Последовательный клапан |
| Максимальное рабочее давление [бар] | 80 |
| Нефтяной порт | Ввинчиваемая резьба |
| Объемный расход [л/мин] | 20 |









































































































