Ступенчатый зажим с регулировочным опорным винтом, в комплекте АМF 74625
Описание
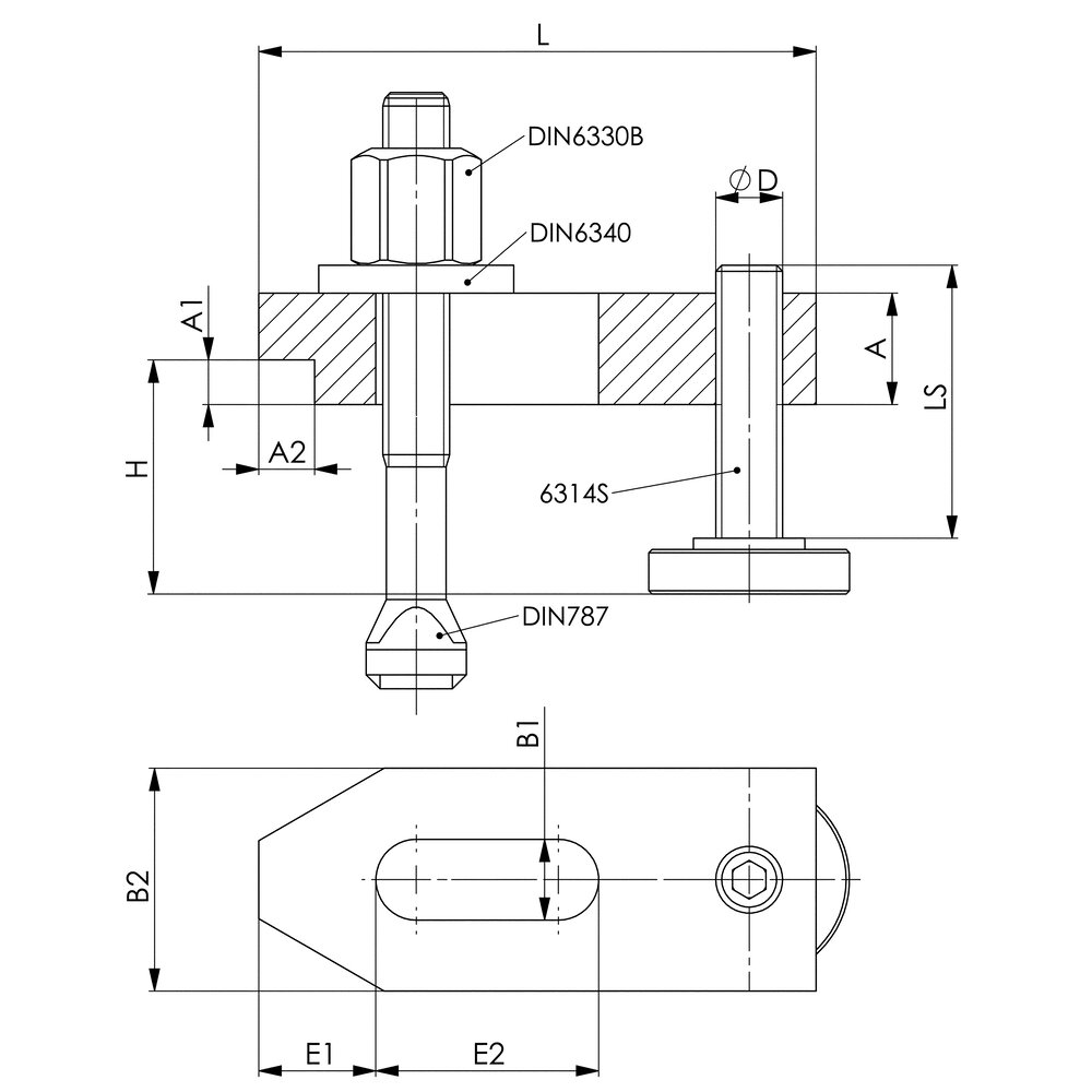
Разновидности товаров:
| Артикул | Слот | с зажимным стержнем | H* | sim. DIN6314 B1 x L | D x LS | A | A1xA2 | в2 | Е1 | Е2 | Масса [г] | Цена |
| 74591 | 12 | M12x12x100 | 10-48 | 14x100 | M12x49 | 20 | 8 x10,0 | 40 | 21 | 40 | 745 | 8 658 р. |
| 74625 | 14 | M12x14x100 | 10-46 | 14x100 | M12x49 | 20 | 8 x10,0 | 40 | 21 | 40 | 764 | 8 658 р. |
| 74633 | 16 | M16x16x125 | 13-58 | 18x125 | M16x55 | 25 | 10x12,5 | 50 | 26 | 45 | 1510 | 11 992.50 р. |
| 74641 | 18 | M16x18x125 | 13-56 | 18x125 | M16x55 | 25 | 10x12,5 | 50 | 26 | 45 | 1530 | 11 992.50 р. |
| 74658 | 20 | M20x20x160 | 16-77 | 22x160 | M20x69 | 30 | 12x15,0 | 60 | 30 | 60 | 2800 | 19 792.50 р. |
| 74666 | 22 | M20x22x160 | 16-77 | 22x160 | M20x69 | 30 | 12x15,0 | 60 | 30 | 60 | 2840 | 19 792.50 р. |
С DIN 787, DIN 6340, DIN 6330B. Окрашенная закаленная сталь.
*в зависимости от глубины паза по DIN 650 и положения крепежной гайки.
Для зажима тонких деталей переверните зажим.
Зажимы без Т-образных болтов являются одним и тем же изделием для типоразмеров 12 и 14, 16 и 18, 20 и 22, каждый.
Характеристики:
| Артикул | 74625 |
| Зажимной винт | С зажимным болтом |
| Прорезь [мм] | 14 |
| Метрический зажимной винт [М] | 12 |
| Минимальная высота зажима [мм] | 10 |
| Максимальная высота зажима [мм] | 46 |









































































































